RX68減速機詳細信息
RX68減速機
RX68減速機傳動比計算:齒輪減速馬達
傳送設備參數:輪子直徑125,載重3.7噸,每分鐘走42米
42米÷(0.125輪子直徑X3.14)=107轉每分鐘
3.7噸換算成N=37000N
37000×0.0625輪子半徑×0.06摩擦系數=138.75N.m
通常確保萬無一失,我們會把輸出扭矩放大兩倍138.75×2=277.5N.m
電機轉數1400÷輸出轉數107=13.08比
277.5N.m輸出扭矩÷13.08比=21.22N.m電機扭矩
21.22N.m電機扭矩換算成功率3.37KW以上
對應的RX68減速機選型參數:
型號:RX68-BVP4KW
減速比:13.08
輸出轉數:107轉每分鐘
輸出扭矩:310N.m
安全系數:1.90
RX68減速機平面圖紙:輸出軸Φ20+鍵2.5(可定做),高134*寬135*長174(帶輸出軸)RX系列減速機

RX68硬齒面斜齒輪減速機型號:

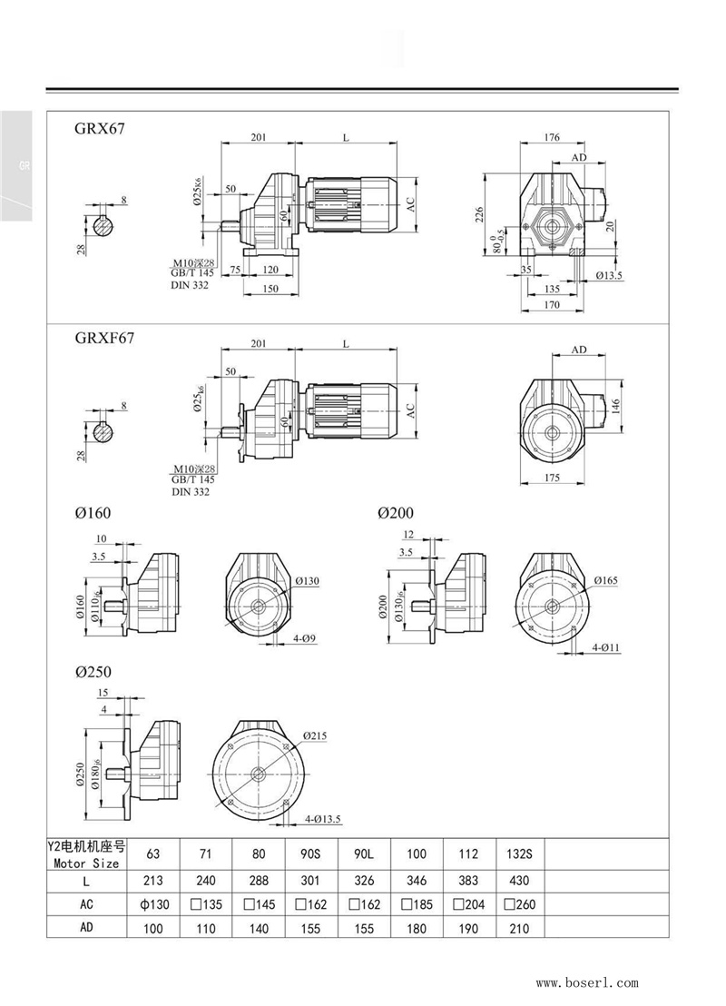
RX67系列減速機參數大全:同軸斜齒輪減速電機
RX67減速機配0.12KW電機參數
| 型號 | 速比 | 功率 | 重量 | 沖擊力 |
| RX67-Y0.12KW | 199.81 | 0.12KW | 30.5kg | 10300N |
| RX67-Y0.12KW | 184.07 | 0.12KW | 30.5kg | 10400N |
RX67減速機配0.18KW電機參數
| 型號 | 速比 | 功率 | 重量 | 沖擊力 |
| RX67-Y0.18KW | 199.81 | 0.18KW | 31kg | 10100N |
| RX67-Y0.18KW | 184.07 | 0.18KW | 31kg | 10100N |
| RX67-Y0.18KW | 158.14 | 0.18KW | 31kg | 10200N |
| RX67-Y0.18KW | 137.67 | 0.18KW | 31kg | 10300N |
| RX67-Y0.18KW | 128.97 | 0.18KW | 31kg | 10300N |
| RX67-Y0.18KW | 113.94 | 0.18KW | 31kg | 10400N |
| RX67-Y0.18KW | 105.83 | 0.18KW | 31kg | 10400N |
RX67減速機配0.25KW電機參數
| 型號 | 速比 | 功率 | 重量 | 沖擊力 |
| RX67-Y0.25KW | 199.81 | 0.25KW | 35kg | 9540N |
| RX67-Y0.25KW | 184.07 | 0.25KW | 35kg | 9700N |
| RX67-Y0.25KW | 158.14 | 0.25KW | 35kg | 9930N |
| RX67-Y0.25KW | 137.67 | 0.25KW | 35kg | 10100N |
| RX67-Y0.25KW | 128.97 | 0.25KW | 35kg | 10100N |
| RX67-Y0.25KW | 113.94 | 0.25KW | 35kg | 10200N |
| RX67-Y0.25KW | 105.83 | 0.25KW | 35kg | 10300N |
| RX67-Y0.25KW | 95.91 | 0.25KW | 35kg | 10300N |
| RX67-Y0.25KW | 86.11 | 0.25KW | 35kg | 10400N |
RX67減速機配0.37KW電機參數
| 型號 | 速比 | 功率 | 重量 | 沖擊力 |
| RX67-Y0.37KW | 199.81 | 0.37KW | 35.5kg | 8480N |
| RX67-Y0.37KW | 184.07 | 0.37KW | 35.5kg | 8820N |
| RX67-Y0.37KW | 158.14 | 0.37KW | 35.5kg | 9300N |
| RX67-Y0.37KW | 137.67 | 0.37KW | 35.5kg | 9620N |
| RX67-Y0.37KW | 128.97 | 0.37KW | 35.5kg | 9740N |
| RX67-Y0.37KW | 113.94 | 0.37KW | 35.5kg | 9920N |
| RX67-Y0.37KW | 105.83 | 0.37KW | 35.5kg | 10000N |
| RX67-Y0.37KW | 95.91 | 0.37KW | 35.5kg | 10100N |
| RX67-Y0.37KW | 86.11 | 0.37KW | 35.5kg | 10200N |
| RX67-Y0.37KW | 74.17 | 0.37KW | 35.5kg | 10300N |
| RX67-Y0.37KW | 69.75 | 0.37KW | 35.5kg | 10300N |
| RX67-Y0.37KW | 61.26 | 0.37KW | 35.5kg | 10400N |
| RX67-Y0.37KW | 56.89 | 0.37KW | 35.5kg | 10400N |
RX67減速機配0.55KW電機參數
| 型號 | 速比 | 功率 | 重量 | 沖擊力 |
| RX67-Y0.55KW | 158.14 | 0.55KW | 40kg | 7540N |
| RX67-Y0.55KW | 137.67 | 0.55KW | 40kg | 8360N |
| RX67-Y0.55KW | 128.97 | 0.55KW | 40kg | 8660N |
| RX67-Y0.55KW | 113.94 | 0.55KW | 40kg | 9110N |
| RX67-Y0.55KW | 105.83 | 0.55KW | 40kg | 9320N |
| RX67-Y0.55KW | 95.91 | 0.55KW | 40kg | 9550N |
| RX67-Y0.55KW | 86.11 | 0.55KW | 40kg | 9750N |
| RX67-Y0.55KW | 74.17 | 0.55KW | 40kg | 9960N |
| RX67-Y0.55KW | 69.75 | 0.55KW | 40kg | 10000N |
| RX67-Y0.55KW | 61.26 | 0.55KW | 40kg | 10200N |
| RX67-Y0.55KW | 56.89 | 0.55KW | 40kg | 10200N |
RX67減速機配0.75KW電機參數
| 型號 | 速比 | 功率 | 重量 | 沖擊力 |
| RX67-Y0.75KW | 128.97 | 0.75KW | 41kg | 7000N |
| RX67-Y0.75KW | 113.94 | 0.75KW | 41kg | 7920N |
| RX67-Y0.75KW | 105.83 | 0.75KW | 41kg | 8320N |
| RX67-Y0.75KW | 95.91 | 0.75KW | 41kg | 8760N |
| RX67-Y0.75KW | 86.11 | 0.75KW | 41kg | 9140N |
| RX67-Y0.75KW | 74.17 | 0.75KW | 41kg | 9520N |
| RX67-Y0.75KW | 69.75 | 0.75KW | 41kg | 9640N |
| RX67-Y0.75KW | 61.26 | 0.75KW | 41kg | 9560N |
| RX67-Y0.75KW | 56.89 | 0.75KW | 41kg | 9960N |
| RX67-Y0.75KW | 51.56 | 0.75KW | 41kg | 10100N |
| RX67-Y0.75KW | 46.29 | 0.75KW | 41kg | 10200N |
RX67減速機配1.1KW電機參數
| 型號 | 速比 | 功率 | 重量 | 沖擊力 |
| RX67-Y1.1KW | 86.11 | 1.1KW | 45kg | 7090N |
| RX67-Y1.1KW | 74.17 | 1.1KW | 45kg | 8120N |
| RX67-Y1.1KW | 69.75 | 1.1KW | 45kg | 8440N |
| RX67-Y1.1KW | 61.26 | 1.1KW | 45kg | 8960N |
| RX67-Y1.1KW | 56.89 | 1.1KW | 45kg | 9200N |
| RX67-Y1.1KW | 51.56 | 1.1KW | 45kg | 9450N |
| RX67-Y1.1KW | 46.29 | 1.1KW | 45kg | 9670N |
| RX67-Y1.1KW | 39.88 | 1.1KW | 45kg | 9910N |
| RX67-Y1.1KW | 37.5 | 1.1KW | 45kg | 9980N |
| RX67-Y1.1KW | 32.27 | 1.1KW | 45kg | 10100N |
| RX67-Y1.1KW | 28.83 | 1.1KW | 45kg | 10200N |
| RX67-Y1.1KW | 28.13 | 1.1KW | 45kg | 10200N |
| RX67-Y1.1KW | 26.72 | 1.1KW | 45kg | 10100N |
| RX67-Y1.1KW | 23.44 | 1.1KW | 45kg | 9690N |
| RX67-Y1.1KW | 19.89 | 1.1KW | 45kg | 9230N |
RX67減速機配1.5KW電機參數
| 型號 | 速比 | 功率 | 重量 | 沖擊力 |
| RX67-Y1.5KW | 61.26 | 1.5KW | 48kg | 7390N |
| RX67-Y1.5KW | 56.89 | 1.5KW | 48kg | 7900N |
| RX67-Y1.5KW | 51.56 | 1.5KW | 48kg | 8440N |
| RX67-Y1.5KW | 46.29 | 1.5KW | 48kg | 8880N |
| RX67-Y1.5KW | 39.88 | 1.5KW | 48kg | 9340N |
| RX67-Y1.5KW | 37.5 | 1.5KW | 48kg | 9490N |
| RX67-Y1.5KW | 32.27 | 1.5KW | 48kg | 9770N |
| RX67-Y1.5KW | 28.83 | 1.5KW | 48kg | 9930N |
| RX67-Y1.5KW | 28.13 | 1.5KW | 48kg | 9950N |
| RX67-Y1.5KW | 26.72 | 1.5KW | 48kg | 9810N |
| RX67-Y1.5KW | 23.44 | 1.5KW | 48kg | 9460N |
| RX67-Y1.5KW | 19.89 | 1.5KW | 48kg | 9030N |
| RX67-Y1.5KW | 17.95 | 1.5KW | 48kg | 8770N |
RX67減速機配2.2KW電機參數
| 型號 | 速比 | 功率 | 重量 | 沖擊力 |
| RX67-Y2.2KW | 39.88 | 2.2KW | 57kg | 7700N |
| RX67-Y2.2KW | 37.50 | 2.2KW | 57kg | 8080N |
| RX67-Y2.2KW | 32.27 | 2.2KW | 57kg | 8790N |
| RX67-Y2.2KW | 28.83 | 2.2KW | 57kg | 9170N |
| RX67-Y2.2KW | 23.00 | 2.2KW | 57kg | 9110N |
| RX67-Y2.2KW | 19.89 | 2.2KW | 57kg | 8740N |
| RX67-Y2.2KW | 17.95 | 2.2KW | 57kg | 8510N |
| RX67-Y2.2KW | 15.79 | 2.2KW | 57kg | 8220N |
| RX67-Y2.2KW | 14.91 | 2.2KW | 57kg | 8090N |
| RX67-Y2.2KW | 12.70 | 2.2KW | 57kg | 7740N |
| RX67-Y2.2KW | 11.54 | 2.2KW | 57kg | 7530N |
| RX67-Y2.2KW | 10.00 | 2.2KW | 57kg | 7230N |
| RX67-Y2.2KW | 8.70 | 2.2KW | 57kg | 6940N |
| RX67-Y2.2KW | 7.79 | 2.2KW | 57kg | 6730N |
RX67減速機配3KW電機參數
| 型號 | 速比 | 功率 | 重量 | 沖擊力 |
| RX67-Y3KW | 19.89 | 3KW | 60kg | 8350N |
| RX67-Y3KW | 17.95 | 3KW | 60kg | 8150N |
| RX67-Y3KW | 15.79 | 3KW | 60kg | 7900N |
| RX67-Y3KW | 14.91 | 3KW | 60kg | 7790N |
| RX67-Y3KW | 23.44 | 3KW | 60kg | 8660N |
| RX67-Y3KW | 12.70 | 3KW | 60kg | 7470N |
| RX67-Y3KW | 11.54 | 3KW | 60kg | 7290N |
| RX67-Y3KW | 10.00 | 3KW | 60kg | 7010N |
RX67減速機配4KW電機參數
| 型號 | 速比 | 功率 | 重量 | 沖擊力 |
| RX67-Y4KW | 19.89 | 4KW | 71kg | 7920N |
| RX67-Y4KW | 17.95 | 4KW | 71kg | 7760N |
| RX67-Y4KW | 15.79 | 4KW | 71kg | 7560N |
| RX67-Y4KW | 14.91 | 4KW | 71kg | 7460N |
| RX67-Y4KW | 12.70 | 4KW | 71kg | 7200N |
| RX67-Y4KW | 11.54 | 4KW | 71kg | 7040N |
| RX67-Y4KW | 10.00 | 4KW | 71kg | 6790N |
| RX67-Y4KW | 8.70 | 4KW | 71kg | 6560N |
| RX67-Y4KW | 7.79 | 4KW | 71kg | 6390N |
| RX67-Y4KW | 7.36 | 4KW | 71kg | 6300N |
| RX67-Y4KW | 6.27 | 4KW | 71kg | 6030N |
| RX67-Y4KW | 5.70 | 4KW | 71kg | 5870N |
| RX67-Y4KW | 4.93 | 4KW | 71kg | 5640N |
| RX67-Y4KW | 4.29 | 4KW | 71kg | 5420N |
RX67減速機配5.5KW電機參數
| 型號 | 速比 | 功率 | 重量 | 沖擊力 |
| RX67-Y5.5KW | 15.79 | 5.5KW | 75kg | 6700N |
| RX67-Y5.5KW | 14.91 | 5.5KW | 75kg | 6990N |
| RX67-Y5.5KW | 12.70 | 5.5KW | 75kg | 6790N |
| RX67-Y5.5KW | 11.54 | 5.5KW | 75kg | 6670N |
| RX67-Y5.5KW | 10.00 | 5.5KW | 75kg | 6480N |
| RX67-Y5.5KW | 8.70 | 5.5KW | 75kg | 6280N |
| RX67-Y5.5KW | 7.79 | 5.5KW | 75kg | 6160N |
| RX67-Y5.5KW | 7.36 | 5.5KW | 75kg | 6070N |
| RX67-Y5.5KW | 6.27 | 5.5KW | 75kg | 5840N |
| RX67-Y5.5KW | 5.70 | 5.5KW | 75kg | 5700N |
| RX67-Y5.5KW | 4.93 | 5.5KW | 75kg | 5490N |
| RX67-Y5.5KW | 4.29 | 5.5KW | 75kg | 5290N |
RX67減速機配7.5KW電機參數
| 型號 | 速比 | 功率 | 重量 | 沖擊力 |
| RX67-Y7.5KW | 12.7 | 7.5KW | 98kg | 4420N |
| RX67-Y7.5KW | 11.54 | 7.5KW | 98kg | 5020N |
| RX67-Y7.5KW | 10.00 | 7.5KW | 98kg | 5750N |
| RX67-Y7.5KW | 8.70 | 7.5KW | 98kg | 5900N |
| RX67-Y7.5KW | 7.79 | 7.5KW | 98kg | 5610N |
| RX67-Y7.5KW | 7.36 | 7.5KW | 98kg | 5760N |
| RX67-Y7.5KW | 6.27 | 7.5KW | 98kg | 5560N |
| RX67-Y7.5KW | 5.70 | 7.5KW | 98kg | 5450N |
| RX67-Y7.5KW | 4.93 | 7.5KW | 98kg | 5270N |
| RX67-Y7.5KW | 4.29 | 7.5KW | 98kg | 5100N |
| RX67-Y7.5KW | 7.97 | 7.5KW | 98kg | 1130N |
| RX67-Y7.5KW | 7.53 | 7.5KW | 98kg | 1420N |
| RX67-Y7.5KW | 6.41 | 7.5KW | 98kg | 2130N |
RX67減速機生產工廠展示:看廠請聯系微信13827261050,獲取位置,需提前一天預約
推薦類似型號:R68減速機
關鍵詞:GRX系列減速機一體式_RX系列減速器_減速器電機一體式_減速機馬達一體式_RX系列減速機_RX型減速機_電機減速機一體式_GRX系列減速機_減速機電機一體式
RX系列斜齒輪減速機型號:RX58減速機,RX68減速機,RX78減速機,RX88減速機,RX98減速機,RX108減速機
RX系列齒輪減速馬達可配變頻電機,剎車電機,防爆電機,伺服電機,交流電機,直流電機,三相電機,單相電機 0.12KW-45KW之間
如需工程師幫選型,請加微信13827261050,留言告知工程師參數要求
標簽:  RX68減速機 RX67硬齒面斜齒輪減速機 RX67系列減速機 RX67減速機傳動比 RX67減速機選型參數 RX67減速機CAD三維圖
