RF148減速電機詳細信息
RF148減速電機
RF148減速電機功率計算公式:齒輪減速馬達
電軌車參數:鏈輪直徑360,帶動9噸,每分鐘運行14米
14米÷(0.36鏈輪直徑×3.14)=12.38轉每分鐘
9噸換算成N=90000N
90000×0.18鏈輪半徑×0.3橡膠輪水泥路的摩擦系數=4860N.m
通常確保萬無一失,我們會把輸出扭矩放大兩倍4860×2=9720N.m
電機轉數1400÷輸出轉數12.38=113.08比
9720N.m輸出扭矩÷113.08比=85.96N.m電機扭矩
85.96N.m電機扭矩換算成功率13.64KW左右
對應的RF148減速機型號參數:
型號:RF148-BEJ15KW
減速比:119.86
輸出轉數:12轉每分鐘
輸出扭矩:11700N.m
安全系數:1.1
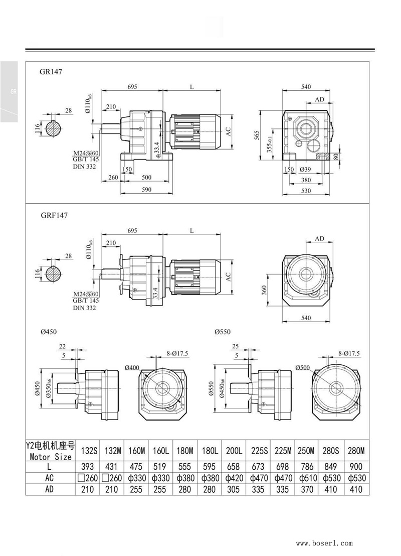
RF148減速機基座尺寸:輸出軸Φ20+鍵2.5(可定做),高134*寬135*長174(帶輸出軸)RF系列減速機

RF148斜齒輪硬齒面減速機型號:

RF148減速電機型號參數:同軸斜齒輪減速電機
RF148減速機配11KW電機參數
| 型號 | 減速比 | 功率 | 重量 | 力矩 |
| RF148-Y11KW | 163.31 | 11kw | 450kg | 65000N |
| RF148-Y11KW | 146.91 | 11kw | 450kg | 66900N |
| RF148-Y11KW | 119.86 | 11kw | 450kg | 69600N |
| RF148-Y11KW | 109.31 | 11kw | 450kg | 70500N |
| RF148-Y11KW | 94.6 | 11kw | 450kg | 71500N |
| RF148-Y11KW | 83.47 | 11kw | 450kg | 72200N |
| RF148-Y11KW | 72.09 | 11kw | 450kg | 72800N |
| RF148-Y11KW | 66.99 | 11kw | 450kg | 73100N |
| RF148-Y11KW | 61.09 | 11kw | 450kg | 73300N |
| RF148-Y11KW | 52.87 | 11kw | 450kg | 73600N |
RF148減速機配15KW電機參數
| 型號 | 減速比 | 功率 | 重量 | 力矩 |
| RF148-Y15KW | 163.31 | 15kw | 480kg | 36200N |
| RF148-Y15KW | 146.91 | 15kw | 480kg | 57400N |
| RF148-Y15KW | 119.86 | 15kw | 480kg | 65000N |
| RF148-Y15KW | 109.31 | 15kw | 480kg | 66700N |
| RF148-Y15KW | 94.6 | 15kw | 480kg | 68800N |
| RF148-Y15KW | 83.47 | 15kw | 480kg | 70100N |
| RF148-Y15KW | 72.09 | 15kw | 480kg | 71300N |
| RF148-Y15KW | 66.99 | 15kw | 480kg | 71700N |
| RF148-Y15KW | 61.09 | 15kw | 480kg | 72200N |
| RF148-Y15KW | 52.87 | 15kw | 480kg | 72800N |
| RF148-Y15KW | 46.65 | 15kw | 480kg | 73200N |
RF148減速機配18.5KW電機參數
| 型號 | 減速比 | 功率 | 重量 | 力矩 |
| RF148-Y18.5KW | 119.86 | 18.5kw | 500kg | 56400N |
| RF148-Y18.5KW | 109.31 | 18.5kw | 500kg | 62200N |
| RF148-Y18.5KW | 94.6 | 18.5kw | 500kg | 65500N |
| RF148-Y18.5KW | 83.47 | 18.5kw | 500kg | 67600N |
| RF148-Y18.5KW | 72.09 | 18.5kw | 500kg | 69500N |
| RF148-Y18.5KW | 66.99 | 18.5kw | 500kg | 70200N |
| RF148-Y18.5KW | 61.09 | 18.5kw | 500kg | 71000N |
| RF148-Y18.5KW | 52.87 | 18.5kw | 500kg | 71900N |
| RF148-Y18.5KW | 46.65 | 18.5kw | 500kg | 72500N |
| RF148-Y18.5KW | 40.29 | 18.5kw | 500kg | 73000N |
RF148減速機配22KW電機參數
| 型號 | 減速比 | 功率 | 重量 | 力矩 |
| RF148-Y22KW | 109.31 | 22kw | 520kg | 40600N |
| RF148-Y22KW | 94.6 | 22kw | 520kg | 61400N |
| RF148-Y22KW | 83.47 | 22kw | 520kg | 64500N |
| RF148-Y22KW | 72.09 | 22kw | 520kg | 67200N |
| RF148-Y22KW | 66.99 | 22kw | 520kg | 68300N |
| RF148-Y22KW | 61.09 | 22kw | 520kg | 69400N |
| RF148-Y22KW | 52.87 | 22kw | 520kg | 70700N |
| RF148-Y22KW | 46.65 | 22kw | 520kg | 71600N |
| RF148-Y22KW | 40.29 | 22kw | 520kg | 72400N |
| RF148-Y22KW | 35.64 | 22kw | 520kg | 72900N |
| RF148-Y22KW | 29.95 | 22kw | 520kg | 73400N |
RF148減速機配30KW電機參數
| 型號 | 減速比 | 功率 | 重量 | 力矩 |
| RF148-Y30KW | 83.47 | 30kw | 620kg | 33300N |
| RF148-Y30KW | 72.09 | 30kw | 620kg | 60500N |
| RF148-Y30KW | 66.99 | 30kw | 620kg | 62600N |
| RF148-Y30KW | 61.09 | 30kw | 620kg | 64800N |
| RF148-Y30KW | 52.87 | 30kw | 620kg | 67400N |
| RF148-Y30KW | 46.65 | 30kw | 620kg | 69100N |
| RF148-Y30KW | 40.29 | 30kw | 620kg | 70500N |
| RF148-Y30KW | 35.64 | 30kw | 620kg | 71400N |
| RF148-Y30KW | 29.95 | 30kw | 620kg | 72400N |
| RF148-Y30KW | 24.19 | 30kw | 620kg | 73100N |
| RF148-Y30KW | 20.44 | 30kw | 620kg | 73600N |
| RF148-Y30KW | 18.04 | 30kw | 620kg | 73800N |
| RF148-Y30KW | 15.64 | 30kw | 620kg | 74000N |
RF148減速機配37KW電機參數
| 型號 | 減速比 | 功率 | 重量 | 力矩 |
| RF148-Y37KW | 66.99 | 37kw | 650kg | 35000N |
| RF148-Y37KW | 61.09 | 37kw | 650kg | 54200N |
| RF148-Y37KW | 52.87 | 37kw | 650kg | 63200N |
| RF148-Y37KW | 46.65 | 37kw | 650kg | 65900N |
| RF148-Y37KW | 40.29 | 37kw | 650kg | 68200N |
| RF148-Y37KW | 35.64 | 37kw | 650kg | 69700N |
| RF148-Y37KW | 29.95 | 37kw | 650kg | 71100N |
| RF148-Y37KW | 24.19 | 37kw | 650kg | 72400N |
| RF148-Y37KW | 20.44 | 37kw | 650kg | 73000N |
| RF148-Y37KW | 18.04 | 37kw | 650kg | 73400N |
| RF148-Y37KW | 15.64 | 37kw | 650kg | 73700N |
| RF148-Y37KW | 13.91 | 37kw | 650kg | 73900N |
RF148減速機配45KW電機參數
| 型號 | 減速比 | 功率 | 重量 | 力矩 |
| RF148-Y45KW | 52.87 | 45kw | 670kg | 45800N |
| RF148-Y45KW | 46.65 | 45kw | 670kg | 61500N |
| RF148-Y45KW | 40.29 | 45kw | 670kg | 65100N |
| RF148-Y45KW | 35.64 | 45kw | 670kg | 67300N |
| RF148-Y45KW | 29.95 | 45kw | 670kg | 69500N |
| RF148-Y45KW | 24.19 | 45kw | 670kg | 71300N |
| RF148-Y45KW | 20.44 | 45kw | 670kg | 72300N |
| RF148-Y45KW | 18.04 | 45kw | 670kg | 72800N |
| RF148-Y45KW | 15.64 | 45kw | 670kg | 73200N |
| RF148-Y45KW | 13.91 | 45kw | 670kg | 73500N |
| RF148-Y45KW | 11.99 | 45kw | 670kg | 73800N |
| RF148-Y45KW | 7.25 | 45kw | 670kg | 74300N |
RF148減速機配55KW電機參數
| 型號 | 減速比 | 功率 | 重量 | 力矩 |
| RF148-Y55KW | 46.65 | 55kw | 790kg | 26700N |
| RF148-Y55KW | 40.29 | 55kw | 790kg | 58200N |
| RF148-Y55KW | 35.64 | 55kw | 790kg | 63300N |
| RF148-Y55KW | 29.95 | 55kw | 790kg | 66800N |
| RF148-Y55KW | 24.19 | 55kw | 790kg | 69600N |
| RF148-Y55KW | 20.44 | 55kw | 790kg | 71100N |
| RF148-Y55KW | 18.04 | 55kw | 790kg | 71900N |
| RF148-Y55KW | 15.64 | 55kw | 790kg | 72500N |
| RF148-Y55KW | 13.91 | 55kw | 790kg | 73000N |
| RF148-Y55KW | 11.99 | 55kw | 790kg | 73400N |
| RF148-Y55KW | 9.74 | 55kw | 790kg | 73800N |
| RF148-Y55KW | 7.25 | 55kw | 790kg | 74200N |
| RF148-Y55KW | 5.89 | 55kw | 790kg | 72500N |
RF148減速機配75KW電機參數
| 型號 | 減速比 | 功率 | 重量 | 力矩 |
| RF148-Y75KW | 20.44 | 75kw | 850kg | 67900N |
| RF148-Y75KW | 18.04 | 75kw | 850kg | 69500N |
| RF148-Y75KW | 15.64 | 75kw | 850kg | 70800N |
| RF148-Y75KW | 13.91 | 75kw | 850kg | 71600N |
| RF148-Y75KW | 11.99 | 75kw | 850kg | 72400N |
| RF148-Y75KW | 9.74 | 75kw | 850kg | 73100N |
| RF148-Y75KW | 8.26 | 75kw | 850kg | 73500N |
| RF148-Y75KW | 7.25 | 75kw | 850kg | 73100N |
| RF148-Y75KW | 5.89 | 75kw | 850kg | 70100N |
| RF148-Y75KW | 5 | 75kw | 850kg | 67600N |
RF148減速機配90KW電機參數
| 型號 | 減速比 | 功率 | 重量 | 力矩 |
| RF148-Y90KW | 15.64 | 90kw | 930kg | 69000N |
| RF148-Y90KW | 13.91 | 90kw | 930kg | 70200N |
| RF148-Y90KW | 11.99 | 90kw | 930kg | 71400N |
| RF148-Y90KW | 9.74 | 90kw | 930kg | 72500N |
| RF148-Y90KW | 8.26 | 90kw | 930kg | 73000N |
| RF148-Y90KW | 7.25 | 90kw | 930kg | 70900N |
| RF148-Y90KW | 5.89 | 90kw | 930kg | 68300N |
| RF148-Y90KW | 5 | 90kw | 930kg | 66100N |
RF148減速電機生產工廠展示:看廠請聯系微信13827261050,獲取位置,需提前一天預約
推薦類似型號:R148減速機
關鍵詞:GRF系列減速機立式一體式_直線輸出減速機配電機_RF系列減速器_直連電機減速機_直連減速機_直連減速器_直聯減速機_RF系列減速機_RF型減速機_RF齒輪減速馬達
RF系列減速機型號:RF18減速機,RF28減速機,RF38減速機,RF48減速機,RF58減速機,RF68減速機,RF78減速機,RF88減速機,RF98減速機,RF108減速機,RF138減速機,RF148減速機,RF168減速機
RF系列斜齒輪減速機可配變頻電機,剎車電機,防爆電機,伺服電機,交流電機,直流電機,三相電機,單相電機 0.12KW-132KW之間
如需工程師幫選型,請加微信13827261050,留言告知工程師參數要求
標簽:   RF148減速電機 RF147斜齒輪硬齒面減速機 RF147減速機功率 RF147減速機基座尺寸 RF147減速機模型 RF147減速機型號參數
