FF158減速電機詳細信息
FF158減速電機
FF158減速電機基座參數計算公式:齒輪減速馬達
轉角滾筒輸送帶參數:負載76000Kg,傳送筒直徑φ310mm,轉動速度0.34m/s
運輸速度0.34m×60s=20.4m每分鐘
3.14(圓周率)×0.31m(傳送筒直徑310mm)=0.9734m
20.4m÷0.9734m=20.96r/min輸出轉數
傳送物料76000Kg換算成N=744800n
744800n×0.155傳送筒半徑×0.06摩擦系數=6926.64N.m輸出扭矩
1400電機輸入轉速÷20.96r/min=66.79減速比
6926.64N.m輸出扭矩÷66.79減速比=103.71N.m電機扭矩
103.71N.m電機扭矩換算成電機功率=16.46KW左右
對應的FF158減速電機功率型號:
型號:FF158-BEJ18.5KW
減速比:68.28
輸出轉數:21rpm
輸出扭矩:8230N.m
安全系數:2.2
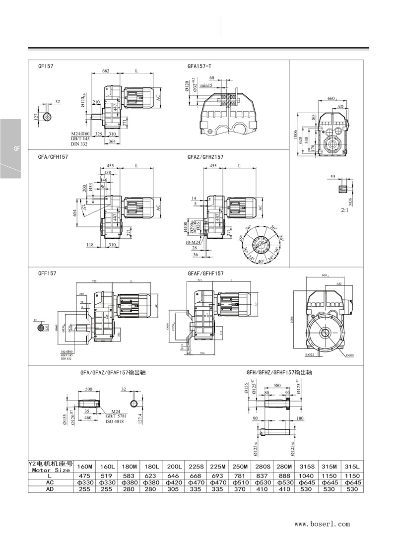
FF158減速電機基座尺寸:輸出軸Φ20+鍵2.5(可定做),高134*寬135*長174(帶輸出軸)平行軸斜齒輪減速機

FF158平行軸減速機型號:

FF158減速電機型號參數:剎車電機減速機
FF158減速機配11KW電機參數
| 型號 | 減速比 | 功率 | 重量 | 力矩 |
| FF158-Y11KW | 267.43 | 11KW | 1065kg | 97000N |
| FF158-Y11KW | 217.62 | 11KW | 1065kg | 106900N |
| FF158-Y11KW | 178.20 | 11KW | 1065kg | 112900N |
| FF158-Y11KW | 162.96 | 11KW | 1065kg | 114800N |
| FF158-Y11KW | 141.80 | 11KW | 1065kg | 117100N |
| FF158-Y11KW | 125.14 | 11KW | 1065kg | 118700N |
| FF158-Y11KW | 108.49 | 11KW | 1065kg | 120000N |
| FF158-Y11KW | 96.53 | 11KW | 1065kg | 120000N |
| FF158-Y11KW | 85.80 | 11KW | 1065kg | 117400N |
| FF158-Y11KW | 78.46 | 11KW | 1065kg | 115000N |
| FF158-Y11KW | 68.28 | 11KW | 1065kg | 111300N |
FF158減速機配15KW電機參數
| 型號 | 減速比 | 功率 | 重量 | 力矩 |
| FF158-Y15KW | 217.62 | 15KW | 1085kg | 89000N |
| FF158-Y15KW | 178.20 | 15KW | 1085kg | 101900N |
| FF158-Y15KW | 162.96 | 15KW | 1085kg | 105900N |
| FF158-Y15KW | 141.80 | 15KW | 1085kg | 110600N |
| FF158-Y15KW | 125.14 | 15KW | 1085kg | 113700N |
| FF158-Y15KW | 108.49 | 15KW | 1085kg | 116400N |
| FF158-Y15KW | 96.53 | 15KW | 1085kg | 115700N |
| FF158-Y15KW | 85.80 | 15KW | 1085kg | 113200N |
| FF158-Y15KW | 78.46 | 15KW | 1085kg | 111100N |
| FF158-Y15KW | 68.28 | 15KW | 1085kg | 108000N |
| FF158-Y15KW | 60.25 | 15KW | 1085kg | 105100N |
FF158減速機配18.5KW電機參數
| 型號 | 減速比 | 功率 | 重量 | 力矩 |
| FF158-Y18.5KW | 178.20 | 18.5KW | 1122kg | 88200N |
| FF158-Y18.5KW | 162.96 | 18.5KW | 1122kg | 95000N |
| FF158-Y18.5KW | 141.80 | 18.5KW | 1122kg | 102800N |
| FF158-Y18.5KW | 125.14 | 18.5KW | 1122kg | 107900N |
| FF158-Y18.5KW | 108.49 | 18.5KW | 1122kg | 112100N |
| FF158-Y18.5KW | 96.53 | 18.5KW | 1122kg | 111300N |
| FF158-Y18.5KW | 85.80 | 18.5KW | 1122kg | 109300N |
| FF158-Y18.5KW | 78.46 | 18.5KW | 1122kg | 107600N |
| FF158-Y18.5KW | 68.28 | 18.5KW | 1122kg | 104900N |
| FF158-Y18.5KW | 60.25 | 18.5KW | 1122kg | 102300N |
| FF158-Y18.5KW | 52.24 | 18.5KW | 1122kg | 99400N |
FF158減速機配22KW電機參數
| 型號 | 減速比 | 功率 | 重量 | 力矩 |
| FF158-Y22KW | 141.80 | 22KW | 1135kg | 93100N |
| FF158-Y22KW | 125.14 | 22KW | 1135kg | 100800N |
| FF158-Y22KW | 108.49 | 22KW | 1135kg | 107000N |
| FF158-Y22KW | 96.53 | 22KW | 1135kg | 1069000N |
| FF158-Y22KW | 85.80 | 22KW | 1135kg | 105200N |
| FF158-Y22KW | 78.46 | 22KW | 1135kg | 103900N |
| FF158-Y22KW | 68.28 | 22KW | 1135kg | 101600N |
| FF158-Y22KW | 60.25 | 22KW | 1135kg | 99500N |
| FF158-Y22KW | 52.24 | 22KW | 1135kg | 96800N |
| FF158-Y22KW | 46.48 | 22KW | 1135kg | 94600N |
| FF158-Y22KW | 40.06 | 22KW | 1135kg | 91800N |
| FF158-Y22KW | 32.55 | 22KW | 1135kg | 87700N |
FF158減速機配30KW電機參數
| 型號 | 減速比 | 功率 | 重量 | 力矩 |
| FF158-Y30KW | 108.49 | 30KW | 1203kg | 89800N |
| FF158-Y30KW | 96.53 | 30KW | 1203kg | 96900N |
| FF158-Y30KW | 85.80 | 30KW | 1203kg | 96400N |
| FF158-Y30KW | 78.46 | 30KW | 1203kg | 95800N |
| FF158-Y30KW | 68.28 | 30KW | 1203kg | 94600N |
| FF158-Y30KW | 60.25 | 30KW | 1203kg | 93200N |
| FF158-Y30KW | 52.24 | 30KW | 1203kg | 91400N |
| FF158-Y30KW | 46.68 | 30KW | 1203kg | 89800N |
| FF158-Y30KW | 40.06 | 30KW | 1203kg | 87600N |
FF158減速機配37KW電機參數
| 型號 | 減速比 | 功率 | 重量 | 力矩 |
| FF158-Y37KW | 85.80 | 37KW | 1250kg | 88600N |
| FF158-Y37KW | 78.46 | 37KW | 1250kg | 88700N |
| FF158-Y37KW | 68.28 | 37KW | 1250kg | 88400N |
| FF158-Y37KW | 60.25 | 37KW | 1250kg | 87800N |
| FF158-Y37KW | 52.24 | 37KW | 1250kg | 86700N |
| FF158-Y37KW | 46.48 | 37KW | 1250kg | 85600N |
| FF158-Y37KW | 40.06 | 37KW | 1250kg | 84000N |
| FF158-Y37KW | 32.55 | 37KW | 1250kg | 81300N |
| FF158-Y37KW | 27.60 | 37KW | 1250kg | 79000N |
FF158減速機配45KW電機參數
| 型號 | 減速比 | 功率 | 重量 | 力矩 |
| FF158-Y45KW | 68.28 | 45KW | 1285kg | 81400N |
| FF158-Y45KW | 60.25 | 45KW | 1285kg | 81600N |
| FF158-Y45KW | 52.24 | 45KW | 1285kg | 81300N |
| FF158-Y45KW | 46.48 | 45KW | 1285kg | 80800N |
| FF158-Y45KW | 40.06 | 45KW | 1285kg | 79800N |
| FF158-Y45KW | 32.55 | 45KW | 1285kg | 78000N |
| FF158-Y45KW | 27.60 | 45KW | 1285kg | 76200N |
FF158減速機配55KW電機參數
| 型號 | 減速比 | 功率 | 重量 | 力矩 |
| FF158-Y55KW | 60.25 | 55KW | 1370kg | 73800N |
| FF158-Y55KW | 52.24 | 55KW | 1370kg | 74600N |
| FF158-Y55KW | 46.48 | 55KW | 1370kg | 74800N |
| FF158-Y55KW | 40.06 | 55KW | 1370kg | 74700N |
| FF158-Y55KW | 32.55 | 55KW | 1370kg | 73800N |
| FF158-Y55KW | 27.60 | 55KW | 1370kg | 72600N |
| FF158-Y55KW | 28.60 | 55KW | 1370kg | 72900N |
| FF158-Y55KW | 25.43 | 55KW | 1370kg | 71900N |
| FF158-Y55KW | 22.16 | 55KW | 1370kg | 70600N |
| FF158-Y55KW | 19.77 | 55KW | 1370kg | 69400N |
| FF158-Y55KW | 16.85 | 55KW | 1370kg | 67600N |
FF158減速機配75KW電機參數
| 型號 | 減速比 | 功率 | 重量 | 力矩 |
| FF158-Y75KW | 46.48 | 75KW | 1510kg | 62900N |
| FF158-Y75KW | 40.06 | 75KW | 1510kg | 64400N |
| FF158-Y75KW | 32.55 | 75KW | 1510kg | 65400N |
| FF158-Y75KW | 27.60 | 75KW | 1510kg | 65500N |
| FF158-Y75KW | 28.60 | 75KW | 1510kg | 65500N |
| FF158-Y75KW | 25.43 | 75KW | 1510kg | 65400N |
| FF158-Y75KW | 22.16 | 75KW | 1510kg | 64900N |
| FF158-Y75KW | 19.77 | 75KW | 1510kg | 64300N |
| FF158-Y75KW | 16.85 | 75KW | 1510kg | 63200N |
| FF158-Y75KW | 13.96 | 75KW | 1510kg | 61600N |
| FF158-Y75KW | 11.92 | 75KW | 1510kg | 60100N |
FF158減速機配90KW電機參數
| 型號 | 減速比 | 功率 | 重量 | 力矩 |
| FF158-Y90KW | 32.55 | 90KW | 1620kg | 59100N |
| FF158-Y90KW | 27.60 | 90KW | 1620kg | 60200N |
| FF158-Y90KW | 22.16 | 90KW | 1620kg | 60600N |
| FF158-Y90KW | 19.77 | 90KW | 1620kg | 60500N |
| FF158-Y90KW | 16.85 | 90KW | 1620kg | 59900N |
| FF158-Y90KW | 13.96 | 90KW | 1620kg | 58900N |
| FF158-Y90KW | 11.92 | 90KW | 1620kg | 57800N |
FF158減速機配110KW電機參數
| 型號 | 減速比 | 功率 | 重量 | 力矩 |
| FF158-Y110KW | 27.6 | 110KW | 1870kg | 53100N |
| FF158-Y110KW | 22.16 | 110KW | 1870kg | 54900N |
| FF158-Y110KW | 19.77 | 110KW | 1870kg | 55400N |
| FF158-Y110KW | 16.85 | 110KW | 1870kg | 55600N |
| FF158-Y110KW | 13.96 | 110KW | 1870kg | 55300N |
| FF158-Y110KW | 11.92 | 110KW | 1870kg | 54700N |
FF158減速機配132KW電機參數
| 型號 | 減速比 | 功率 | 重量 | 力矩 |
| FF158-Y132KW | 22.16 | 132KW | 2000kg | 48700N |
| FF158-Y132KW | 19.77 | 132KW | 2000kg | 49800N |
| FF158-Y132KW | 16.85 | 132KW | 2000kg | 50900N |
| FF158-Y132KW | 13.96 | 132KW | 2000kg | 51400N |
| FF158-Y132KW | 11.92 | 132KW | 2000kg | 51400N |
FF158減速電機生產工廠展示:看廠請聯系微信13827261050,獲取位置,需提前一天預約
推薦類似型號:F158減速機
關鍵詞:GFF系列減速器配制動電機一體式_剎車電機減速機_FF系列減速器_制動電機減速機_減速器配抱閘_減速機配抱閘_FF系列減速機_FF型減速機_GFF系列減速機_配剎車減速機_配制動減速機_配抱閘減速機_抱閘電機減速機
FF系列齒輪減速馬達型號:FF28減速機,FF38減速機,FF48減速機,FF68減速機,FF78減速機,FF88減速機,FF98減速機,FF108減速機,FF128減速機,FF158減速機
FF系列電動機減速機可配變頻電機,剎車電機,防爆電機,伺服電機,交流電機,直流電機,三相電機,單相電機 0.12KW-132KW之間
如需工程師幫選型,請加微信13827261050,留言告知工程師參數要求
標簽:   FF158減速電機 FF157平行軸減速機 FF157減速機功率 FF157減速機基座尺寸 FF157減速機模型 FF157減速機型號參數
